Introducción de rodamientos lineales: el rodamiento lineal es un sistema de movimiento lineal, utilizado para viajes inalámbricos y ejes cilíndricos.Debido a que la bola del cojinete está en contacto con la camisa del cojinete, el cojinete lineal tiene poca fricción y es relativamente estable.No cambia con la velocidad del cojinete y puede
Ventajas del rodamiento de la placa giratoria de rodillos cruzados sobre el rodamiento de la placa giratoria normal: 1.El nivel de precisión que pueden alcanzar los rodamientos de rodillos cruzados para mesas giratorias es mucho más alto que el de los rodamientos para mesas giratorias normales, y el descentramiento radial y axial que se puede lograr es mucho mayor que el de los rodamientos ordinarios.
¿Cuál es el proceso de enchapado del riel deslizante? El proceso común de enchapado deslizante en el mercado es el enchapado eléctrico negro y galvanizado.Estos dos tipos de procesos de recubrimiento quieren ser el proceso de tratamiento de superficie convencional en la industria de diapositivas.Cuando los clientes tienen diferentes necesidades, galvanizado y blac
¿Qué son los rieles lineales? Los rieles lineales son ideales para mover artículos a través de un proceso de producción con gran precisión y con la menor fricción posible si se crean, empaquetan y distribuyen productos.Linear Rail es un tipo de dispositivo que se utiliza con frecuencia en una variedad de industrias. Un sistema de riel lineal
¿Cuál es la diferencia entre el tornillo trapezoidal y el husillo de bolas? El husillo de bolas es el producto ideal para convertir el movimiento giratorio en movimiento lineal o convertir el movimiento lineal en movimiento giratorio. El husillo de bolas se compone de tornillo, tuerca y bola.Su función es convertir el movimiento giratorio en int
1.¿Cuáles son los tipos de husillos de bolas más utilizados y cuál es la diferencia entre los husillos laminados y los husillos de bolas?¿Cuáles son los tipos comunes de husillos de bolas?La alta precisión y el posicionamiento preciso son las principales características de rendimiento de los husillos de bolas, pero si el equipo de producción mecánica c
VR1
| Estado de Disponibilidad: | |
|---|---|
| Cantidad: | |
GUÍAS DE JAULA CON CARRERA LIMITADA
Las guías de jaula se pueden equipar con RODILLOS, BOLAS o AGUJAS y son adecuadas para muchas aplicaciones en el rango de requisitos medio a alto.Estos productos tienen un recorrido limitado y proporcionan un movimiento lineal rígido pero flexible y son especialmente adecuados para la guía lineal donde se exige una gran rigidez y un movimiento flexible.
-Guía de rodillos cruzados Modelo VR / Tipo R
La guía lineal de rodillos cruzados modelo VR es una guía con jaula de rodillos, que es una guía lineal de carrera limitada que tiene rodillos de precisión ortogonalizados alternativamente.La jaula de rodillos tipo R tiene un mecanismo de retención de rodillos único para lograr una gran longitud de contacto efectiva de los rodillos y un intervalo de paso de rodillos corto.Es un tipo muy rígido.Las guías de rodillos cruzados Tipo R funcionan de manera efectiva para cumplir con los requisitos medios a altos.
Tamaños regulares: Vr1, Vr2, Vr3, Vr4, Vr6, Vr9, Vr12
Longitudes: 20 a 1000 mm
Material: rodamiento de acero/acero inoxidable.
Estructura: 4 rieles, 2 jaulas, 8 tornillos de extremo y rodillos
Servicio: servicio personalizado OEM
Modelo: SERIE VR1 Longitud detallada de la siguiente tabla:
| VR1-20-5Z | VR1-50-13Z | VR1-80-21Z |
| VR1-30-7Z | VR1-60-16Z | |
| VR1-40-10Z | VR1-70-19Z |
Características:
1, la resistencia a la fricción rodante es pequeña, buena estabilidad;Baja fricción de arranque.Buen desempeño de seguimiento,
2, área de contacto grande, pequeña deformación elástica, pequeño espacio libre.
3, cuerpo de movimiento efectivo, fácil de lograr alta rigidez, movimiento de alta carga;
4, diseño de estructura flexible, fácil instalación y uso, larga vida;
5, consumo de energía mecánica y alta precisión, velocidad rápida, gran capacidad de carga.
6, fácil montaje, alta frecuencia, alta resistencia al desgaste.
7, la mejor opción de rendimiento de alto costo, carrera corta y alta precisión.
Aplicarción:
Los productos son adecuados para robots de automatización industrial, componentes neumáticos, máquinas herramienta de control numérico, instrumentos de prueba ópticos, maquinaria alimentaria, maquinaria médica, maquinaria de impresión, maquinaria de soldadura y corte por láser, maquinaria electrónica, maquinaria para trabajar la madera, equipos de procesamiento de molienda de rodamientos y otros equipos mecánicos de precisión. procesando equipamiento.Todos los productos están hechos de materias primas de alta calidad, equipos de producción avanzados, tecnología de fabricación exquisita, medios de prueba completos para garantizar que cada producto de nuestra empresa esté en línea con los indicadores técnicos de la industria.
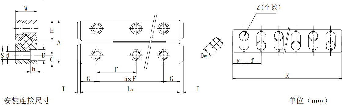
Parámetro:
Serie de realidad virtual
GUÍAS DE JAULA CON CARRERA LIMITADA
Las guías de jaula se pueden equipar con RODILLOS, BOLAS o AGUJAS y son adecuadas para muchas aplicaciones en el rango de requisitos medio a alto.Estos productos tienen un recorrido limitado y proporcionan un movimiento lineal rígido pero flexible y son especialmente adecuados para la guía lineal donde se exige una gran rigidez y un movimiento flexible.
-Guía de rodillos cruzados Modelo VR / Tipo R
La guía lineal de rodillos cruzados modelo VR es una guía con jaula de rodillos, que es una guía lineal de carrera limitada que tiene rodillos de precisión ortogonalizados alternativamente.La jaula de rodillos tipo R tiene un mecanismo de retención de rodillos único para lograr una gran longitud de contacto efectiva de los rodillos y un intervalo de paso de rodillos corto.Es un tipo muy rígido.Las guías de rodillos cruzados Tipo R funcionan de manera efectiva para cumplir con los requisitos medios a altos.
Tamaños regulares: Vr1, Vr2, Vr3, Vr4, Vr6, Vr9, Vr12
Longitudes: 20 a 1000 mm
Material: rodamiento de acero/acero inoxidable.
Estructura: 4 rieles, 2 jaulas, 8 tornillos de extremo y rodillos
Servicio: servicio personalizado OEM
Modelo: SERIE VR1 Longitud detallada de la siguiente tabla:
| VR1-20-5Z | VR1-50-13Z | VR1-80-21Z |
| VR1-30-7Z | VR1-60-16Z | |
| VR1-40-10Z | VR1-70-19Z |
Características:
1, la resistencia a la fricción rodante es pequeña, buena estabilidad;Baja fricción de arranque.Buen desempeño de seguimiento,
2, área de contacto grande, pequeña deformación elástica, pequeño espacio libre.
3, cuerpo de movimiento efectivo, fácil de lograr alta rigidez, movimiento de alta carga;
4, diseño de estructura flexible, fácil instalación y uso, larga vida;
5, consumo de energía mecánica y alta precisión, velocidad rápida, gran capacidad de carga.
6, fácil montaje, alta frecuencia, alta resistencia al desgaste.
7, la mejor opción de rendimiento de alto costo, carrera corta y alta precisión.
Aplicarción:
Los productos son adecuados para robots de automatización industrial, componentes neumáticos, máquinas herramienta de control numérico, instrumentos de prueba ópticos, maquinaria alimentaria, maquinaria médica, maquinaria de impresión, maquinaria de soldadura y corte por láser, maquinaria electrónica, maquinaria para trabajar la madera, equipos de procesamiento de molienda de rodamientos y otros equipos mecánicos de precisión. procesando equipamiento.Todos los productos están hechos de materias primas de alta calidad, equipos de producción avanzados, tecnología de fabricación exquisita, medios de prueba completos para garantizar que cada producto de nuestra empresa esté en línea con los indicadores técnicos de la industria.
Parámetro:
Serie de realidad virtual